主营品牌:
会员指数:信誉值
经营范围:
所在地区:北京市北京市市辖区
证照信息:
北京禹晟环保科技有限公司
扫一扫,手机浏览
您当前的位置: 中链企通环保网过滤设备 YCF-D系列
更新时间: 2018-08-07 12:04:45
收藏产品

YCF-D系列

YCF-D系列-中链企通环保网

 库存量: 5 台/件
  • 电话询价
    ≥1台/件
产品型号:
品牌: 0
联系生产商:0311-66567128

店内优质推荐

店内相近型号产品推荐
北京禹晟环保科技有限公司
公司名称:北京禹晟环保科技有限公司
联  系  人:
联系电话:0311-66567128
工商认证:工商已核实
链  企  通:信誉值
所在地区:北京市怀柔区九渡河镇黄坎735号
YCF-D系列

详细信息

产品型号:
品牌: 0

一、产品概述

YCF-D型全自动过滤机(以下简称D型全自动过滤机)清洗方式简单,该设备通过监测进出水口压差变化或定时的方式对过滤单元进行自动清洗排污,不需人工操作,可实现过滤、清洗排污状态之间的自动切换,实现在线不停机清洗排污,确保系统的连续供水。本设备过滤面积大,单机处理量大,两次清洗排污的时间间隔长。排污耗水量极少,不超过总流量的1%。本设备高智能自动化,压差值、时间值均为可调。参数设定后,设备实现自动启停,无须专人值班,可实现全自动操作;同时D型全自动过滤机还具有手动控制功能,调试、检修方便。本设备拆卸、安装、维护简便,操作简单,无需专业人员进行操作。D型全自动过滤机特别适用于处理量大,杂质含量高,工作环境恶劣的地方。

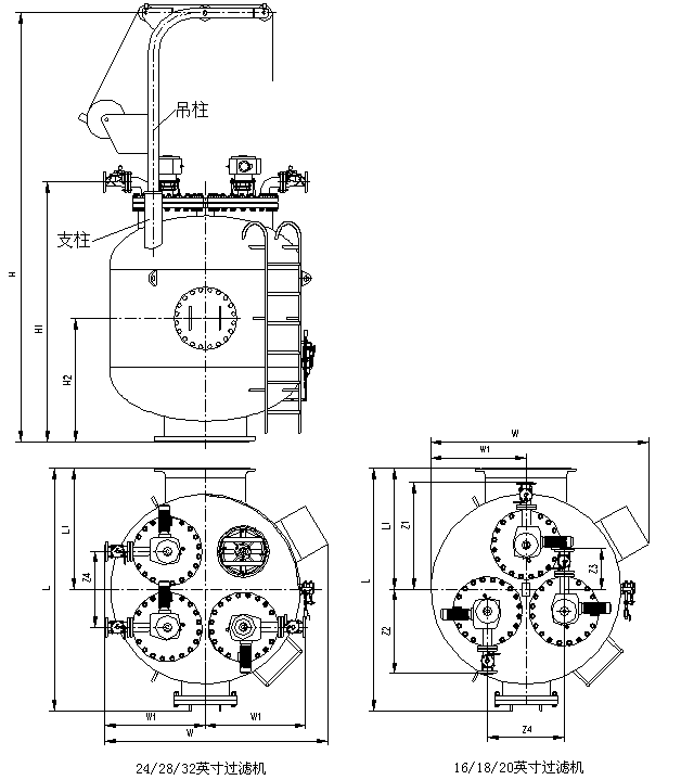
产品外型图(见图1):


图1

D型全自动过滤机根据规格的不同分别设有3或4套过滤单元和清洗单元。每台电机单独带动一个清洗单元对相应过滤单元进行清洗,各个电机的顺次运转互不影响。保证了过滤机长久的使用。

D型全自动过滤机进行清洗排污有四种控制方式:压差控制、定时控制、压差与定时组合控制,手动控制。上述四种控制方式互锁。

压差控制:控制系统实时将系统压差与用户设定的压差相比较,当系统压差小于设定压差时,过滤机进行过滤;当系统压差超过设定压差时,过滤机自动进行清洗排污。

定时控制:用户根据实际工况自行设置过滤时间和清洗排污时间,D型全自动过滤机将按照设定的过滤时间和清洗排污时间循环工作。

压差与定时组合控制:用户根据实际工况自行设置过滤时间和清洗排污时间。同时,控制系统实时将系统压差与用户设定的压差相比较。控制系统可根据设定的循环时间和收到的压差信号进行清洗排污,以收到的信号的先后为序。

手动控制:D型全自动过滤机处于手动控制状态时,按住相应电机的启动按钮,相应清洗单元进行清洗排污,放开启动按钮,停止清洗排污。



二、产品使用范围

过滤属于水的净化过程中不可或缺的处理手段,用于拦截水中的杂质,以保护系统中其他设备的正常工作。普通网式过滤器虽然其过滤效果好、阻力小而广泛应用于水源过滤、工业循环水系统等领域,但是由于纳污量小,易受污物堵塞,清洗工作复杂,必须对设备进行拆卸才能实现对过滤部分的清洗,无法监控过滤器的状态,而且受人为因素影响比较大,使整个系统的自动化程度很低。D型全自动自清洗过滤机具有对原水进行过滤并自动对过滤单元进行清洗排污的功能,且清洗排污时系统不间断供水。该设备与以往的过滤器相比具有自动化程度高,单机处理量大,可自行清洗排污,并不间断供水,应用面广泛的优点。

D型全自动过滤机广泛适用于循环或非循环的冷却水系统、热交换系统、中央空调系统、集中供暖系统、热水锅炉系统,分别用来保护冷却设备、热交换装置、空调器、锅炉等;适用于钢铁系统、石油化工、冶金、电子、食品、造纸等工业循环水过滤再利用,以及污水处理厂的粗过滤,减少细滤系统的成本。D型全自动过滤机单机处理量大,并且可并联使用以达到用户需求,因而特别适用于用水大户。该设备要求流经过滤机的水温不可超过95℃。

三、产品功能及特点

D型全自动过滤机的处理量大,且可并联使用,经济流量下单机处理量 大可达7000m3/h。

D型全自动过滤机的过滤精度默认为100微米,且从10至3000微米可选,过滤面积大,纳污量高,用户可根据实际工况定制。

D型全自动过滤机清洗方式简单,控制方式灵活多样,可实现自动清洗排污。全自动过滤机控制系统中的各参数均可调节。该控制方式分为压差控制、定时控制、压差与定时组合控制、手动控制四种形式,且四种控制形式之间互锁,用户可根据实际需要选择其中之一。

D型全自动过滤机设有电机过载保护,可有效保护电机。

D型全自动过滤机两次清洗排污的时间间隔较长,具有在清洗排污时不间断供水、无须旁路的特点,且清洗时间短,排污耗水量少。

D型全自动过滤机设有吊装单元与抓梯,方便维护,拆卸更加安全。

D型全自动过滤机维修性强、安装拆卸简便易行。

D型全自动过滤机操作简便,无需专业人员进行操作指导。

D型全自动过滤机与用户管线的连接方式为法兰连接,法兰采用国标法兰,通用性强。

D型全自动过滤机特别适用于杂质含量高、工作环境恶劣的地方。

四、产品型号说明

D型全自动过滤机的规格型号按进出水口的公称通径区分,常规产品有16、18、20、24、28、32共6种规格,公称压力均为PN=1.0MPa 。



型号表示方法如下:

CNAF-□ □-□


                           



                         公称压力(MPa)

                         出入水口公称通径(英寸)

                         型号

                                 全自动自清洗过滤器


例如:28英寸D型全自动过滤机,公称压力为1.0MPa,表示为YCF-D28-1.0

五、产品结构说明

如图一所示:YCF-D型全自动过滤机由辅机、控制管路、电控单元、清洗单元、过滤单元、密封单元、吊装单元、电机、电动控制阀等主要零部件组成。

D型全自动过滤机由多个过滤单元和清洗单元组成,每台全自动过滤机根据规格的不同分别设有3或4套过滤单元和清洗单元。每台电机单独带动一个清洗单元进行清洗,各个电机的运转互不影响。保证了过滤机的更长久的使用。

过滤单元和清洗单元为该设备的主要工作部分,过滤单元整体材料为不锈钢,滤芯为楔形滤芯,强度高,不易损坏,在使用过程中几乎不用更换滤芯,减少了使用和维修的成本。楔形滤芯默认过滤精度为200μm,也可根据用户的要求制造200~3000μm的滤芯。过滤机的清洗单元由不锈钢转刷和框架组成,不锈钢转刷用螺栓固定在框架两侧,易于更换。

电控单元和控制管路构成过滤机的控制部分,用于控制全自动过滤机的自清洗排污过程。

吊装单元设置在辅机的顶部,可旋转,方便法兰盖组件及清洗单元等零部件的安装与拆卸,便于维护,更增加了安全性。

D型全自动过滤机通过压差变送器监测进出水口压差变化,当压差达到设定值时,电控器给电动控制阀、电动机信号,引发下列动作:电动机1带动不锈钢转刷旋转,对过滤单元进行清洗,同时控制阀1打开进行排污,整个清洗过程将持续10~60秒(用户可根据实际工况设定),清洗结束时,控制阀关闭,电动机停止转动;然后其余电机和相应电动控制阀按顺序工作,进行清洗排污;当整个清洗排污过程结束后,系统恢复至其初始状态,为下一个清洗排污工序作好准备。由于不锈钢转刷对过滤单元的清洗为主动清洗,抗干扰能力强,清洗彻底,因而更适合水质较差的情况。

六、外形及安装尺寸

安装尺寸(单位:mm)

产品型号

结构安装尺寸

L

L1

W

W1

H

H1

H2

Z1

Z2

Z3

Z4

YCF-D16-1.0

1820

900

1643

662

3580

1970

920

862

687

337

606

YCF-D18-1.0

1920

950

1736

712

3741

2070

975

917

722

332

675

YCF-D20-1.0

2020

1000

1830

762

4131

2290

1080

962

752

332

727

YCF-D24-1.0

2030

1010

1909

842

3911

2180

1030




629

YCF-D28-1.0

2130

1060

1983

871

4307

2380

1130




658

YCF-D32-1.0

2440

1220

2257

1013

4715

2610

1250




767

重量表(单位:Kg)

    型号

重量

YCF-D16-1.0

YCF-D18-1.0

YCF-D20-1.0

YCF-D24-1.0

YCF-D28-1.0

YCF-D32-1.0

设备重量

1836

2123

2480

2730

3408

4616

盛水后重量

3054

3629

4493

4566

5820

8306

外形图:见图一


图 一



七、技术性能参数

技术参数及主要结构尺寸表:

     型  号


参  数

YCF-D16-1.0

YCF-D18-1.0

YCF-D20-1.0

YCF-D24-1.0

YCF-D28-1.0

YCF-D32-1.0

经济流量

1040 m3/h

1316 m3/h

1625 m3/h

2340 m3/h

3185 m3/h

4160 m3/h

过滤面积

18150cm2

22890cm2

28540cm2

31250cm2

41820cm2

58440cm2

单个电机功率

0.75kW

0.75 kW

1.5 kW

0.75kW

1.5kW

1.5 kW

进出口公称通径

DN400

DN450

DN500

DN600

DN700

DN800

电动控制阀数量

3

3

3

4

4

4

电动控制阀口径

DN50

DN80

小工作压力

0.1MPa

大工作压力

1.0MPa

清洗排污时间

10~60 秒

高工作温度

80°C

过滤精度

默认为200微米,200-3000微米可选

过滤网类型

楔形过滤网:200-3000微米可选

压力损失

≤0.016 MPa

工作电压

交流380V(7%)50Hz(2%)

注:电动控制阀(即排污阀)的连接形式为法兰连接,法兰连接尺寸符合GB9119;进出水口法兰连接尺寸符合GB9115。

 不同流量时的压力损失(过滤精度为200微米以下):




过滤等级标准

楔形过滤网

微米

200

300

400

500

600

700

800

900

1000

2000

3000

毫米

0.2

0.3

0.4

0.5

0.6

0.7

0.8

0.9

1

2

3

目数

80

55

42

34

28

24

22

19

17

10

7

八、使用注意事项

该设备在出厂前已调试完毕,用户在使用时直接运行即可。当设备各运行参数不能满足用户要求时,用户可根据实际工况设定各参数,或相应选用手动控制、自动定时控制等方式进行工作。

首次运行时,应按以下步骤进行

检查过滤机是否处于正常工作状态:

查看排污管是否已连接好,排污管长度不可超过15米,不可有向上的倾角,以免产生背压。

查看过滤机各连接处是否牢固。

打开过滤机进口的阀门,查看进口法兰连接处不得有漏水或渗水现象。

打开过滤机出口的阀门,查看出口法兰连接处不得有漏水或渗水现象。

查看一下过滤机电控箱部分应是干燥的。

接通电源,绿色电源指示灯亮,此时表示过滤机电控部分处于正常工作状态,设备可投入试运行。

注:插上电源时应注意保持手的干燥,同时在过滤机工作过程中应保持其电控器部分干燥,不可有水进入电控器内部。






九、安装运输

电源配置:

我们已为用户准备好了标准的插头,请用户选择相应的插座即可,请将插头边的黄绿导线与用户地线连接好,如用户无地线,请将黄绿导线与一铁钉相连,铁钉打入地下至少20厘米。

安装注意事项:

在提升、运输或安装过滤机时请做好预防措施,保证安全。

安装前,请确认管道压力符合过滤机的工作压力。

安装时,请使用标准的法兰及接头,用户可根据需要自制过滤机支架。

在大多数情况下,过滤机应尽量安装在系统要保护的地方,入口低压影响过滤机的使用,因此过滤机也应安装在靠近压力源的地方。

过滤机安装完成后,再将吊柱安装到过滤机的支柱孔中(如图一)。

机体上的箭头方向为水流方向,过滤机应按此方向安装,即:系统中水流方向应与箭头方向一致,不得接反。

控制阀出口应安装排污管,连接方式为法兰连接,排污管通径不小于控制阀通径,排污管长度不能超过15米,且不应有向上的坡角,以免产生背压。

过滤机应使用竖直安装方式,应注意水流方向不可弄错。

过滤机应串联安装在管路系统中,为保证在停机检修水处理仪时系统不间断供水,建议系统中设置旁路,过滤机进出口及旁路均应设置切断用阀门,如:截止阀、蝶阀等,具体安装请见图二。


过滤机规格的选用应与安装管路相匹配,如:系统管径为10则选10规格过滤机。当过滤机流量不能满足管路要求时,可将两个(或多个)过滤机并联安装,见图三。


在有可能发生回流的地方,应在过滤机出口安装止回阀,见图四。

留言

询价产品:
*(必填)
联系人: *(必填)
手    机: *(必填)

中链企通推荐优质产品

内容声明:中链企通为第三方交易平台及互联网信息服务提供者,中链企通(含网站、客户端等)所展示的商品/服务的标题、价格、详情等信息内容系由店铺经营者发布,其真实性、准确性和合法性均由店铺经营者负责。中链企通提醒您购买商品/服务前注意谨慎核实,如您对商品/服务的标题、价格、详情等任何信息有任何疑问的,请在购买前通过中链企通与店铺经营者沟通确认;中链企通设备网上存在海量店铺,如您发现店铺内有任何违法/侵权信息,请立即向中链企通举报并提供有效线索。
北京禹晟环保科技有限公司 地址: 北京市怀柔区九渡河镇黄坎735号 技术支持:zlqt.png 管理员入口
供应市场|采购市场|产业链|链盟会|专家团队|技术文库|行业资讯|招商加盟|展会展览|商家入驻
关于我们|法律声明|服务条款|联系我们
Copyright ©2018 - 2026 www.hbchanyelian.com 版权所有|冀公网安备 13010502001848号| 营业执照公示 | 增值电信业务经营许可证| 医疗器械经营备案凭证| ICP备案号:冀ICP备18005755号-1
您尚未登陆
短信登录 扫码登陆
微信扫描二维码登录